Zorgmiddelenaanhuis.nl
Homepage
Scootmobielen
Terug naar Menu
Scootmobielen
Scootmobiel vast
Scootmobiel opvouwbaar
Scootmobiel 3 wiel
Terug naar Scootmobielen
Scootmobiel 3 wiel
3 wiel opvouwbaar
3 wiel vast
Scootmobiel 4 wiel
Terug naar Scootmobielen
Scootmobiel 4 wiel
4 wiel opvouwbaar
4 wiel vast
Tweedehands scootmobiel
Scootmobiel banden
Terug naar Scootmobielen
Scootmobiel banden
Binnenbanden voor uw scootmobiel
Buitenbanden voor uw scootmobiel
Massieve banden met velgen voor uw scootmobiel
Accu's voor uw scootmobiel
Terug naar Scootmobielen
Accu's voor uw scootmobiel
Oplader voor uw scootmobiel
AGM accu’s voor uw scootmobiel
Gel accu's voor uw scootmobiel
LITHIUM accu's voor uw scootmobiel
Scootmobiel accessoires
Terug naar Scootmobielen
Scootmobiel accessoires
Regenhoezen & Afdekhoezen voor uw scootmobiel
Spiegels voor op uw scootmobiel
Regenkleding voor uw scootmobiel
Schootdekens voor uw scootmobiel
Tassen voor uw scootmobiel
Voetenzakken voor uw scootmobiel
Voordeelsets voor uw scootmobiel
Afikim Breeze accessoires
Brio accessoires
Kymco accessoires
Pride accessoires
Shoprider accessoires
Universele accessoires scootmobiel
Vermeiren accessoires
Scootmobiel onderdelen
Terug naar Scootmobielen
Scootmobiel onderdelen
Tweedehands scootmobiel onderdelen
Scootmobiel onderdelen nieuw
Tweedehands Lithium scootmobielen
Bed Accessoires
Douche hulpmiddelen
Terug naar Menu
Douche hulpmiddelen
Badstoel
Douchestoelen
Douchekrukjes
Douche accessoires
Wandbeugel
Loophulpmiddelen
Terug naar Menu
Loophulpmiddelen
Boodschappen trolley’s
Krukken
Looprekjes
Wandelstokken
Rubberen doppen
Rollators
Terug naar Menu
Rollators
Rollators
Rollator accessoires
Terug naar Rollators
Rollator accessoires
Accessoires voor uw EZ-Lite Rollator
Accessoires voor uw Gemino rollator
Accessoires voor uw Topro Rollator
Accessoires voor uw Vermeiren rollator
Accessoires voor uw Wheelzahead Track rollator
Universele accessoires rollator
Overige rollator accessoires
Drempelhulp voor uw rollator
Rollator onderdelen
Terug naar Rollators
Rollator onderdelen
EZ-Lite onderdelen
Gemino onderdelen
Topro onderdelen
Wheelzahead onderdelen
Litewalk
Rolstoelen
Terug naar Menu
Rolstoelen
Rolstoelen
Rolstoel accessoires
Terug naar Rolstoelen
Rolstoel accessoires
Excel accessoires
Oprijplaten rolstoel
Universeel
Rolstoel onderdelen
Toilethulpmiddelen
Terug naar Menu
Toilethulpmiddelen
Postoel
Toilet accessoires
Toiletbeugels
Toiletverhogers
Urinaal
Overige producten
Terug naar Menu
Overige producten
Anti slip veiligheid
Braces
Drempelhulpen en oprijplaten
Grijpers
Hobby en vrije tijd
Huishoudelijke hulpmiddelen
Keukenhulpmiddelen
Medicijndozen
Meten, wegen en bewegen
Fireblocker
Verhuur
Showroom
24/7 Pechhulp
Merken
Terug naar Menu
Merken
Afikim
Excel
Pride
Pride Victory
sterling
Sterling Elite II
Topro
Trophy
Vermeiren
Zorgmiddelenaanhuis
BLOGS
Terug naar Menu
BLOGS
Hulpmiddelen die je hersteltijd verkorten na een operatie of blessure
Elektrische rolstoel of scootmobiel wat past beter bij jouw situatie
Tips om veilig de weg op te gaan met je scootmobiel
Tweedehands scootmobiel kopen: waar moet je op letten
Maak uw badkamer veiliger: Van wandbeugels tot antislipmatten
Klantenservice
Nieuw
Sale
Tweedehands
Inloggen
Vergelijk producten
Verlanglijst
Winkelwagen
Winkelwagen
U heeft geen artikelen in uw winkelwagen
Mijn account
E-mailadres
Wachtwoord
Wachtwoord vergeten?
Log in
Nieuwe klant?
Retourneer product op elk moment
Betere shop ervaring
Sla de winkelwagen en verlanglijst op
Registreren
×
Nieuwsbrief
Meld je nu aan voor de nieuwste updates, aanbiedingen en meer!
E-mailadres
Abonneer
0181-850439
[email protected]
Bezoek onze showroom:
Maandag - Vrijdag: 09:00 - 17:00 | Zaterdag: 10:00 - 16:00
Menu
Scootmobielen
Scootmobiel vast
Scootmobiel opvouwbaar
Scootmobiel 3 wiel
3 wiel opvouwbaar
3 wiel vast
Scootmobiel 4 wiel
4 wiel opvouwbaar
4 wiel vast
Tweedehands scootmobiel
Scootmobiel banden
Binnenbanden voor uw scootmobiel
Buitenbanden voor uw scootmobiel
Massieve banden met velgen voor uw scootmobiel
Accu's voor uw scootmobiel
Oplader voor uw scootmobiel
AGM accu’s voor uw scootmobiel
Gel accu's voor uw scootmobiel
LITHIUM accu's voor uw scootmobiel
Scootmobiel accessoires
Regenhoezen & Afdekhoezen voor uw scootmobiel
Spiegels voor op uw scootmobiel
Regenkleding voor uw scootmobiel
Schootdekens voor uw scootmobiel
Tassen voor uw scootmobiel
Bekijk alles
Scootmobiel onderdelen
Tweedehands scootmobiel onderdelen
Scootmobiel onderdelen nieuw
Nieuw
Bestsellers
Sale
Merken
View all Scootmobielen
Bed Accessoires
Douche hulpmiddelen
Badstoel
Douchestoelen
Douchekrukjes
Douche accessoires
Wandbeugel
Loophulpmiddelen
Boodschappen trolley’s
Krukken
Looprekjes
Wandelstokken
Rubberen doppen
Rollators
Rollators
Rollator accessoires
Accessoires voor uw EZ-Lite Rollator
Accessoires voor uw Gemino rollator
Accessoires voor uw Topro Rollator
Accessoires voor uw Vermeiren rollator
Accessoires voor uw Wheelzahead Track rollator
Bekijk alles
Rollator onderdelen
EZ-Lite onderdelen
Gemino onderdelen
Topro onderdelen
Wheelzahead onderdelen
Litewalk
Bekijk alles
Nieuw
Bestsellers
Sale
Merken
Rolstoelen
Rolstoelen
Rolstoel accessoires
Excel accessoires
Oprijplaten rolstoel
Universeel
Rolstoel onderdelen
Nieuw
Bestsellers
Sale
Merken
Toilethulpmiddelen
Postoel
Toilet accessoires
Toiletbeugels
Toiletverhogers
Urinaal
Alle categorieën
Waar bent u op zoek naar
Geen producten gevonden...
Inloggen
Verlanglijst
0
Winkelwagen
Categorieën
Scootmobielen
Scootmobiel vast
Scootmobiel opvouwbaar
Scootmobiel 3 wiel
3 wiel opvouwbaar
3 wiel vast
Scootmobiel 4 wiel
4 wiel opvouwbaar
4 wiel vast
Tweedehands scootmobiel
Scootmobiel banden
Binnenbanden voor uw scootmobiel
Buitenbanden voor uw scootmobiel
Massieve banden met velgen voor uw scootmobiel
Accu's voor uw scootmobiel
Oplader voor uw scootmobiel
AGM accu’s voor uw scootmobiel
Gel accu's voor uw scootmobiel
LITHIUM accu's voor uw scootmobiel
Bekijk alles
Scootmobiel accessoires
Regenhoezen & Afdekhoezen voor uw scootmobiel
Spiegels voor op uw scootmobiel
Regenkleding voor uw scootmobiel
Schootdekens voor uw scootmobiel
Tassen voor uw scootmobiel
Voetenzakken voor uw scootmobiel
Voordeelsets voor uw scootmobiel
Afikim Breeze accessoires
Brio accessoires
Kymco accessoires
Pride accessoires
Shoprider accessoires
Universele accessoires scootmobiel
Vermeiren accessoires
Bekijk alles
Scootmobiel onderdelen
Tweedehands scootmobiel onderdelen
Scootmobiel onderdelen nieuw
Tweedehands Lithium scootmobielen
Bekijk alle Scootmobielen
Bed Accessoires
Douche hulpmiddelen
Badstoel
Douchestoelen
Douchekrukjes
Douche accessoires
Wandbeugel
Loophulpmiddelen
Boodschappen trolley’s
Krukken
Looprekjes
Wandelstokken
Rubberen doppen
Rollators
Rollators
Rollator accessoires
Accessoires voor uw EZ-Lite Rollator
Accessoires voor uw Gemino rollator
Accessoires voor uw Topro Rollator
Accessoires voor uw Vermeiren rollator
Accessoires voor uw Wheelzahead Track rollator
Universele accessoires rollator
Overige rollator accessoires
Drempelhulp voor uw rollator
Bekijk alles
Rollator onderdelen
EZ-Lite onderdelen
Gemino onderdelen
Topro onderdelen
Wheelzahead onderdelen
Litewalk
Bekijk alles
Rolstoelen
Rolstoelen
Rolstoel accessoires
Excel accessoires
Oprijplaten rolstoel
Universeel
Rolstoel onderdelen
Toilethulpmiddelen
Postoel
Toilet accessoires
Toiletbeugels
Toiletverhogers
Urinaal
Overige producten
Anti slip veiligheid
Braces
Drempelhulpen en oprijplaten
Grijpers
Hobby en vrije tijd
Huishoudelijke hulpmiddelen
Keukenhulpmiddelen
Medicijndozen
Meten, wegen en bewegen
Bekijk alle Overige producten
Tweedehands
Nieuw
S
A
L
E
Klantenservice
BLOGS
Hulpmiddelen die je hersteltijd verkorten na een operatie of blessure
Elektrische rolstoel of scootmobiel wat past beter bij jouw situatie
Tips om veilig de weg op te gaan met je scootmobiel
Tweedehands scootmobiel kopen: waar moet je op letten
Maak uw badkamer veiliger: Van wandbeugels tot antislipmatten
Bekijk alle BLOGS
Fireblocker
Verhuur
Showroom
24/7 Pechhulp
Lithium
Terug naar Tweedehands scootmobiel onderdelen
|
Scootmobielen
Scootmobiel onderdelen
Tweedehands scootmobiel onderdelen
Fortress Calypso
Fortress Calypso
Scootmobielen
Scootmobiel vast
Scootmobiel opvouwbaar
Scootmobiel 3 wiel
3 wiel opvouwbaar
3 wiel vast
Scootmobiel 4 wiel
4 wiel opvouwbaar
4 wiel vast
Tweedehands scootmobiel
Scootmobiel banden
Binnenbanden voor uw scootmobiel
Buitenbanden voor uw scootmobiel
Massieve banden met velgen voor uw scootmobiel
Accu's voor uw scootmobiel
Oplader voor uw scootmobiel
AGM accu’s voor uw scootmobiel
Gel accu's voor uw scootmobiel
LITHIUM accu's voor uw scootmobiel
Scootmobiel accessoires
Regenhoezen & Afdekhoezen voor uw scootmobiel
Spiegels voor op uw scootmobiel
Regenkleding voor uw scootmobiel
Schootdekens voor uw scootmobiel
Tassen voor uw scootmobiel
Voetenzakken voor uw scootmobiel
Voordeelsets voor uw scootmobiel
Afikim Breeze accessoires
Brio accessoires
Kymco accessoires
Pride accessoires
Shoprider accessoires
Universele accessoires scootmobiel
Vermeiren accessoires
Scootmobiel onderdelen
Tweedehands scootmobiel onderdelen
Afikim
Calypso
Cityliner
Comet
Comino
CTM
Entice 3
Excite
Fortress Calypso
Freerider
Galaxy
Kymco
Mango
Meteor
Mezzo
Minicrosser
Orion
Ortocar
Practicomfort
Pride
Primo
Quingo
Shoprider
Solo
Sterling
Travelux
Trophy
Vermeiren
Winner
Scootmobiel onderdelen nieuw
Afikim Breeze onderdelen
Galaxy onderdelen
Galaxy II - 3 wiel
Galaxy Citiflyer
Pride onderdelen
Vermeiren onderdelen
Carpo
Ceres
Mercurius
Universele onderdelen
Tweedehands Lithium scootmobielen
Filters
Merken
Alle merken
Fortress Calypso
Prijs
Min: €
0
Max: €
1500
Let op!
Onze tweedehands onderdelen zijn uitgesloten van retourrecht!
Fortress Calypso
Standaard
Meest bekeken
Nieuwste producten
Laagste prijs
Hoogste prijs
Naam oplopend
Naam aflopend
Filters
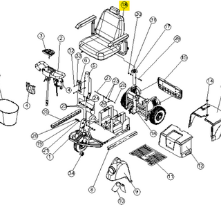
Achterframe bovenzijde Fortress Calypso - Tweedehands
€189,95
Toevoegen aan winkelwagen
Captain Seat met hoofdsteun Fortress Calypso - Tweedehands
€239,95
Toevoegen aan winkelwagen
Achterkap compleet Fortress Calypso - Tweedehands
€239,95
Toevoegen aan winkelwagen
DR-90 controllerv2.07, Fortress Calypso - Tweedehands
€319,95
Toevoegen aan winkelwagen
Captain Seat Fortress Calypso - Tweedehands
€349,95
Toevoegen aan winkelwagen
Transaxle 10km, gereviseerd Fortress Calypso - Tweedehands
€1.099,95
Toevoegen aan winkelwagen
Transaxle 12km, gereviseerd Fortress Calypso - Tweedehands
€1.199,95
Toevoegen aan winkelwagen
1
2
3
Zoeken
Account
Menu
Verlanglijst
0
Winkelwagen