Winkelwagen
U heeft geen artikelen in uw winkelwagen
Let op! Onze tweedehands onderdelen zijn uitgesloten van retourrecht!
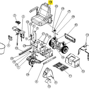
Fortress Calypso

Fortress Calypso